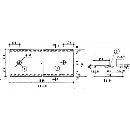
АП 3 плиты покрытия дымовентиляционных труб
Характеристики изделия:
| Параметр | Значение |
|---|---|
| длина | 1800 мм |
| ширина | 700 мм |
| высота | 80 мм |
| масса | 220 кг |
| нормативный документ | Серия ИИ 03-02 |
Цена:
Рассчитать стоимостьАП 3 Плиты покрытия дымовентиляционных труб по Серии ИИ 03-02.
