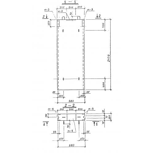
ПС-1

Чертеж изделия:
Характеристики изделия:
ПараметрЗначение
длина980 мм
ширина220 мм
высота2470 мм
масса1330 кг
нормативный документСерия 3.903 КЛ-13

ПС-1  Панели стеновые по Серии 3.903 КЛ-13.