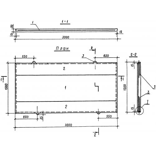
ПК 30-15
Характеристики изделия:
| Параметр | Значение |
|---|---|
| длина | 3000 мм |
| ширина | 1500 мм |
| высота | 80 мм |
| масса | 880 кг |
| нормативный документ | Серия 3.820.1-70 |
Цена:
Рассчитать стоимостьПК 30-15 Плиты для крепления откосов мелиоративных каналов по Серии 3.820.1-70.
