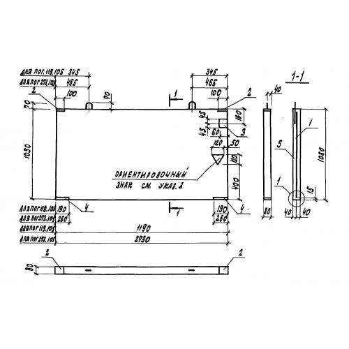
ПОГ 273.105

Чертеж изделия:
Характеристики изделия:
ПараметрЗначение
длина2730 мм
ширина80 мм
высота1050 мм
вес575 кг
серия3.818.9-2

ПОГ 273.105 Панели ограждения станков, выгульных площадок и резделительных секций по серии 3.818.9-2.