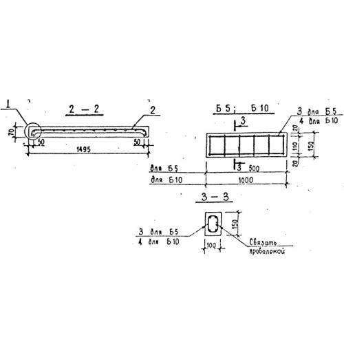
Б 5 Брус

Чертеж изделия:
Характеристики изделия:
ПараметрЗначение
длина500 мм
ширина150 мм
высота100 мм
масса20 кг
нормативный документСерия 3.407.1-157

Б 5 Бруски кабельных каналов по Серии 3.407.1-157.