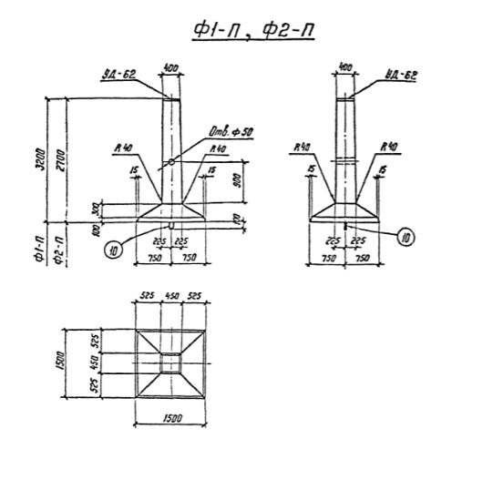
Ф 2 фундамент под опоры

Чертеж изделия:
Характеристики изделия:
ПараметрЗначение
длина1500 мм
ширина1500 мм
высота2700 мм
масса2400 кг
нормативный документСерия 3.407-102

Ф 2 Фундаменты Серия 3.407-102.