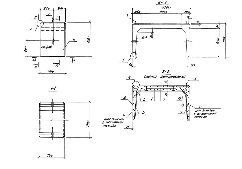
ЛК 75.180.120 лотки

Чертеж изделия:
Характеристики изделия:
ПараметрЗначение
длина740 мм
ширина1780 мм
высота1180 мм
масса950 кг
нормативный документСерия 3.006.1-8

ЛК 75.180.120  Лотки каналов Серия 3.006.1-8.