ПТО 36

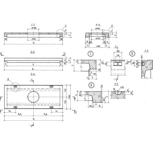
Чертеж изделия:
Характеристики изделия:
ПараметрЗначение
длина3960 мм
ширина1490 мм
высота280 мм
масса2120 кг
нормативный документСерия 3.006.1-3/83

ПТО 36  Плиты перекрытия тоннелей с отверстием Серия 3.006.1-3/83.