Л 36

Чертеж изделия:
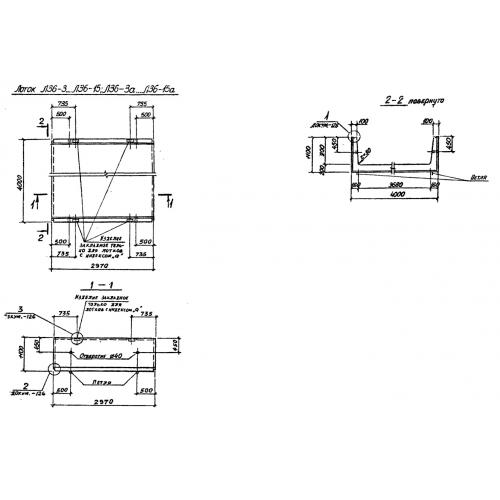
Характеристики изделия:
ПараметрЗначение
длина2970 мм
ширина4000 мм
высота1100 мм
масса7730 кг
нормативный документСерия 3.006.1-2/82

Л 36  Лотки теплотрасс Серия 3.006.1-2/82.