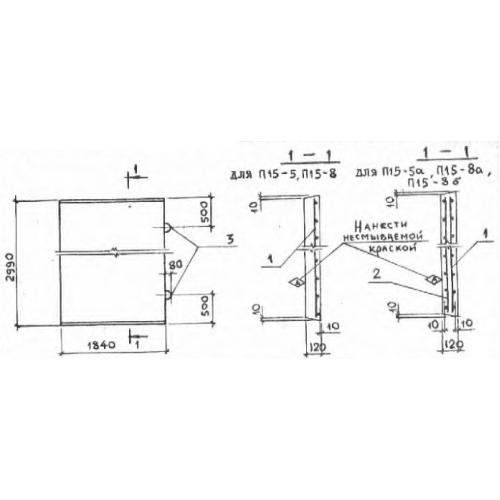
П 15

Чертеж изделия:
Характеристики изделия:
ПараметрЗначение
длина2990 мм
ширина1840 мм
высота120 мм
вес1650 кг
серия3.006-2

П 15 Плиты перекрытия лотков по серии 3.006-2.