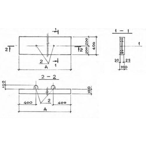
ПП 7

Чертеж изделия:
Характеристики изделия:
ПараметрЗначение
длина2380 мм
ширина400 мм
высота100 мм
вес250 кг
серия3.006-2

ПП 7 Плиты перекрытия лотков по серии 3.006-2.