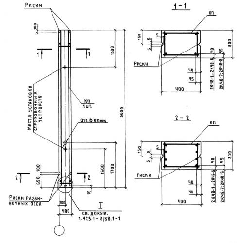
К 48 колонны

Чертеж изделия:
Характеристики изделия:
ПараметрЗначение
длина5600 мм
ширина300 мм
высота400 мм
масса1700 кг
нормативный документСерия 1.423-3

К 48  Колонны Серия 1.423-3.