1ЛН 12.3 Накладные проступи

Чертеж изделия:
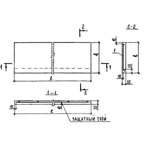
Характеристики изделия:
ПараметрЗначение
длина1200 мм
ширина325 мм
высота35 мм
масса35 кг
нормативный документСерия 1.251.1-4

1ЛН 12.3    Накладные проступи для укладки на нижние и рядовые ступени маршей Серия 1.251.1-4.