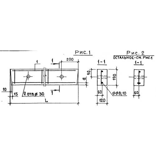
1ПР 29

Чертеж изделия:
Характеристики изделия:
ПараметрЗначение
длина2980 мм
ширина120 мм
высота190 мм
вес170 кг
серия1.138-10

1ПР 29 Перемычки брусковые по серии 1.138-10.