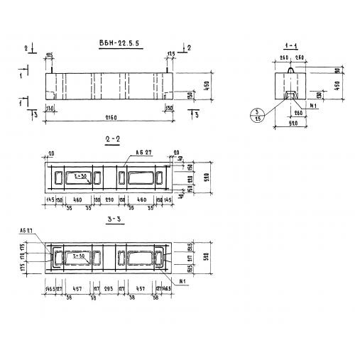
ВБН 22.5.5

Чертеж изделия:
Характеристики изделия:
ПараметрЗначение
длина2160 мм
ширина520 мм
высота450 мм
вес515 кг
серия1.134-3

ВБН 22.5.5 Наружные вентиляционные блоки по серии 1.134-3.