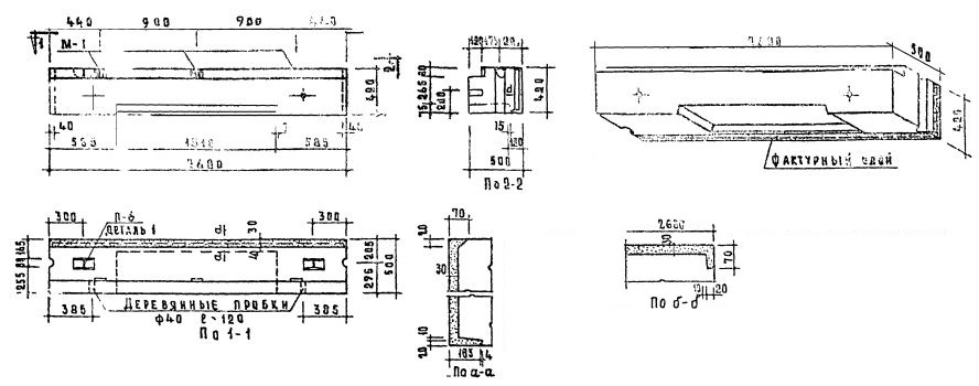
НБ-27.4.5П
Характеристики изделия:
| Параметр | Значение |
|---|---|
| Длина | 2680 мм |
| Ширина | 500 мм |
| Высота | 420 мм |
| Масса | 990 кг |
| Нормативный документ | Серия 1.133-1 |
Цена:
Рассчитать стоимостьСтеновые легкобетонные блоки толщиной 50 см по Серии 1.133-1.
НБ-27.4.5П Перемычечный блок.