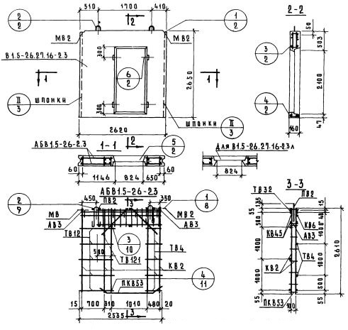
В1.5-26.27.16-2.3

Чертеж изделия:
Характеристики изделия:
ПараметрЗначение
длина2620 мм
ширина160 мм
высота2650 мм
масса2080 кг
нормативный документСерия 1.131-1

В1.5-26.27.16-2.3    Внутренние стеновые панели   (Серия 1.131-1).