2ПС 33.33.4-ПТ-С
Характеристики изделия:
| Параметр | Значение |
|---|---|
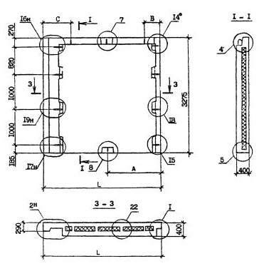
| длина | 3295 мм |
| ширина | 4500 мм |
| высота | 3275 мм |
| масса | 3770 кг |
| нормативный документ | Серия 1.090.1-2с |
Цена:
Рассчитать стоимостьПанели наружных стен трехслойные на жестких связях для зданий с высотой этажа 3,3 м (Серия 1.090.1-2с).
2ПС 33.33.4-ПТ-С Панели стеновые без проемов.
1...9 - в панелях с дверными и окнными проемами - отличие в размерах и расположении проема, отличие в типах или расположении вертикальных торцов панели (зеркальность);
- в панелях без проемов - отличие в типах или расположении вертикальных торцов панели (зеркальность).
1..2 (вторая группа цифр) - унифицированная нагрузка.
ПТ- трехслойная панель из бетона на пористых заполнителях,
С- для строительства в сейсмических районах.