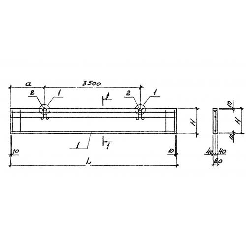
ПГ 55.9 панели перегородки

Чертеж изделия:
Характеристики изделия:
ПараметрЗначение
длина5540 мм
ширина80 мм
высота885 мм
масса620 кг
нормативный документСерия 1.030.9-2

ПГ 55.9   Перегородки панельные зданий промышленных и сельскохозяйстыенных предприятий Серия 1.030.9-2.