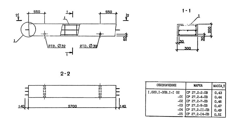
СР 27.2

Чертеж изделия:
Характеристики изделия:
ПараметрЗначение
длина2980 мм
ширина300 мм
высота200 мм
масса510 кг
нормативный документСерия 1.020.1-3пв

СР 27.2  Связи-распорки Серия 1.020.1-3пв.