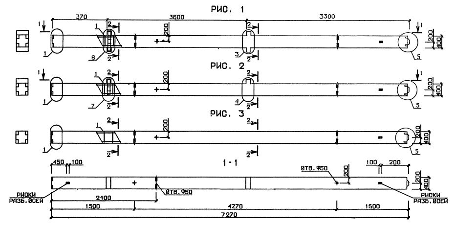
2КБ 4.36

Чертеж изделия:
Характеристики изделия:
ПараметрЗначение
длина7270 мм
ширина400 мм
высота400 мм
масса2990 кг
нормативный документСерия 1.020.1-3пв

2КБ 4.36  Колонны бесстыковые Серия 1.020.1-3пв.