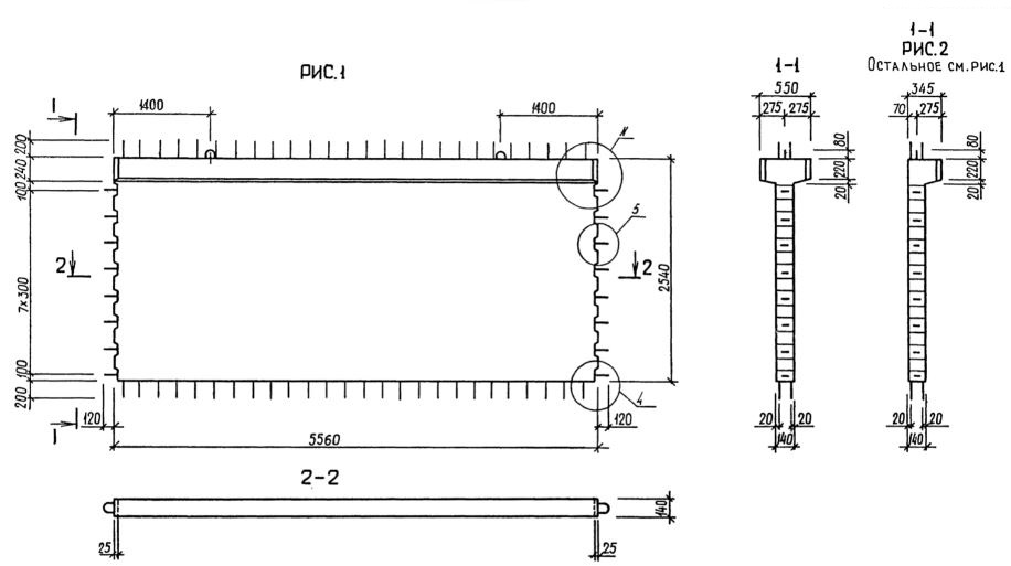
1Д 56.25

Чертеж изделия:
Характеристики изделия:
ПараметрЗначение
длина5800 мм
ширина345 мм
высота2940 мм
масса5690 кг
нормативный документСерия 1.020.1-3пв

1Д 56.25  Диафрагмы жесткости с одной полкой Серия 1.020.1-3пв.