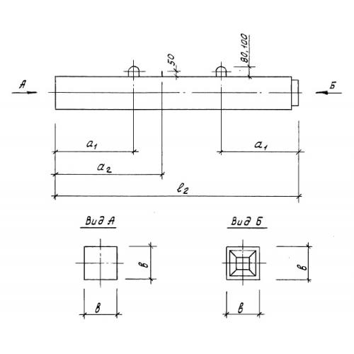
С 100.40

Чертеж изделия:
Характеристики изделия:
ПараметрЗначение
длина10000 мм
ширина400 мм
высота400 мм
вес4000 кг
серия1.011.1-10

С 100-40 Сваи составные верхние по серии 1.011.1-10.