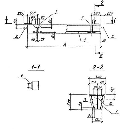
БФ 2

Чертеж изделия:
Характеристики изделия:
ПараметрЗначение
длина4550 мм
ширина300 мм
высота300 мм
вес780 кг
серия0-221-84

БФ2 Балки фундаментные по серии 0-221-84.