САМ 6

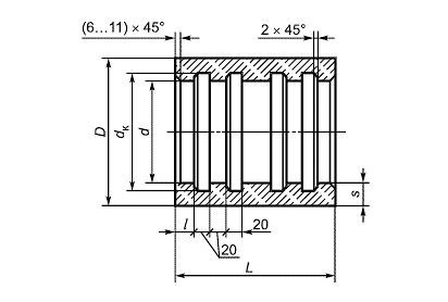
Чертеж изделия:
Характеристики изделия:
ПараметрЗначение
длина160 мм
ширина501 мм
высота501 мм
масса20,1 кг
нормативный документГОСТ 31416-2009

 САМ 6   Асбоцементные муфты для напорных трубопроводов ГОСТ 31416-2009.