С 50-20-3

Чертеж изделия:
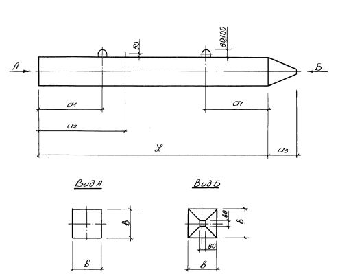
Характеристики изделия:
ПараметрЗначение
длина5000 мм
ширина200 мм
высота200 мм
масса525 кг
нормативный документпо ГОСТ 19804-2012

С 50-20-3 Сваи цельные сплошного квадратного сечения по ГОСТ 19804-2012.